康比電子roducts
國產晶振
臺產晶振
進口晶振
- 日本大真空晶振
- 愛普生晶振
- 精工晶振
- 西鐵城晶振
- 村田晶振
- 進口KSS晶振
- NDK晶振
- 大河石英晶振
- 美國CTS晶振
- 微晶晶振
- Abracon晶振
- ECS晶振
- Golledge晶振
- IDT晶振
- Jauch晶振
- Pletronics晶振
- 拉隆晶振
- SiTime晶振
- Statek晶振
- 格林雷晶振
- 康納溫菲爾德晶振
- 日蝕晶振
- 瑞康晶振
- 維管晶振
- AEK晶振
- AEL晶振
- Cardinal晶振
- Crystek晶振
- Euroquartz晶振
- FOX晶振
- Frequency晶振
- Geyer晶振
- KVG晶振
- ILSI晶振
- MERCURY晶振
- MMDCOMP晶振
- MtronPTI晶振
- QANTEK晶振
- QuartzCom晶振
- Quarztechnik晶振
- Suntsu晶振
- Transko晶振
- Wi2Wi晶振
- Fujicom晶振
- Interquip晶振
- ITTI晶振
- Lihom晶振
- MTI晶振
- NAKA晶振
- Oscilent晶振
- PDI晶振
- Rubyquartz晶振
- Shinsung晶振
- SMI晶振
- CTECH晶振
- IQD晶振
- Microchip晶振
- NJR晶振
- Silicon晶振
- Anderson晶振
- Fortiming晶振
- CORE晶振
- NIPPON晶振
- NICKC晶振
- QVS晶振
- Bomar晶振
- Bliley晶振
- GED晶振
- FILTRONETICS晶振
- STD晶振
- Q-Tech晶振
- Wenzel晶振
- NEL晶振
- EM晶振
- PETERMANN晶振
- FCD-Tech晶振
- HEC晶振
- FMI晶振
- Macrobizes晶振
- AXTAL晶振
- Sunny晶振
- 瑞薩Renesas晶振
- SKYWORKS晶振
- Dynamic迪拉尼晶振
車載電子
數碼電子
智能家居
時計產品
無線網絡
智能穿戴
醫療器械
無人機
0755-27876201
常見問題
更多>>

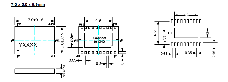
SiTime晶振,差分貼片晶振,SiT9103晶振,與普通石英晶振,石英晶體,石英振蕩器相比,SiTime的MEMS振蕩器提供了更高的性能.由于石英設備針對特定的參數進行了優化,因此無法提供基于內存的解決方案提供的組合性能和特性.
石英晶振真空退火技術:晶振高真空退火處理是消除貼片晶振在加工過程中產生的應力及輕微表面缺陷。在PLC控制程序中輸入已設計好的溫度曲線,使真空室溫度跟隨設定曲線對晶體組件進行退火,石英晶振通過合理的真空退火技術可提高晶振主要參數的穩定性,以及提高石英晶振的年老化特性。
.jpg)
| 型號 | 符號 | SiT9103 |
| 輸出規格 | - | LV-PECL |
| 輸出頻率范圍 | fo | 1?800MHz |
| 電源電壓 | VCC | 1.8V+2.5V±0.125V/+3.3V±0.165V |
|
頻率公差 (含常溫偏差) |
f_tol | ±50×10-6 max., ±100×10-6 max. |
| 保存溫度范圍 | T_stg | -40?+85℃ |
| 運行溫度范圍 | T_use | -10?+70℃ ,-40?+85℃ |
| 消耗電流 | ICC | 45mA max. (fo≦170MHz) |
| 待機時電流(#1引腳"L") | I_std | 10μA max. |
| 輸出負載 | Load-R | 50Ω to VCC-2V |
| 波形對稱 | SYM | 45?55% [at outputs cross point] |
| 0電平電壓 | VOL | VCC-1.81?VCC-1.62V |
| 1電平電壓 | VOH | VCC-1.025?VCC-0.88V |
| 上升時間 下降時間 | tr, tf | 0.5ns max. [20?80% Output, OutputN] |
| 差分輸出電壓 | VOD1, VOD2 | - |
| 差分輸出誤差 | ⊿VOD | - |
| 補償電壓 | VOS | - |
| 補償電壓誤差 | ⊿VOS | - |
| 交叉點電壓 | Vcr | - |
| OE端子0電平輸入電壓 | VIL | VCC×0.3 max. |
| OE端子1電平輸入電壓 | VIH | VCC×0.7 min. |
| 輸出禁用時間 | tPLZ | 200ns |
| 輸出使能時間 | tPZL | 2ms |
| 周期抖動(1) | tRMS | 5ps typ. (13.5MHz≦fo<27MHz) / 2.5ps typ. (27MHz≦fo<212.5MHz) (σ) |
| tp-p | 33ps typ. (13.5MHz≦fo<27MHz) / 22ps typ. (27MHz≦fo<212.5MHz) (Peak to peak) | |
| 總抖動(1) | tTL | 50ps typ. (13.5MHz≦fo<27MHz) / 35ps typ. (27MHz≦fo<212.5MHz) [tDJ + n×tRJ n=14.1(BER=1×10-12) (2)] |
| 相位抖動 | tpj |
1.5ps max. (13.5MHz≦fo<27MHz) / 1ps max. (27MHz≦fo<212.5MHz) [13.5MHz≦fo<40MHz,fo offset:12kHz?5MHz fo≧40MHz,fo offset:12kHz?20MHz] |
.jpg)


SiTime晶振各項注意事項:
晶振產品使用每種產品時,請在石英晶振規格說明或產品目錄規定使用條件下使用。因很多種晶振產品性能,以及材料有所不同,所以使用注意事項也有所不同,比如焊接模式,運輸模式,保存模式等等,都會有所差別。
晶振產品的設計和生產直到出廠,都會經過嚴格的測試檢測來滿足它的規格要求。通過嚴格的出廠前可靠性測試以提供高質量高的可靠性的石英晶振.但是為了石英晶振的品質和可靠性,必須在適當的條件下存儲,安 裝,運輸。請注意以下的注意事項并在最佳的條件下使用產品,我們將對于客戶按自己的判斷而使用石英晶振所導致的不良不負任何責任。
機械振動的影響
當晶振產品上存在任何給定沖擊或受到周期性機械振動時,比如:壓電揚聲器,壓電蜂鳴器,以及喇叭等,輸出頻率和幅度會受到影響。這種現象對通信器材通信質量有影響。盡管晶振產品設計可最小化這種機械振動的影響,我們推薦事先檢查并按照下列安裝指南進行操作。SiTime晶振,差分貼片晶振,SiT9103晶振

1、技術支持:全方位技術指導,專業的技術支持讓您感受到前所未有的后顧無憂.
2、客服咨詢:專業的銷售團隊,耐心為您解答任何疑問,讓您的消費得到保障.
3、質量保證,誠信為本,上我司以“以科技為動力,以質量求生存,”為理念.
4、提升業績,降低成本為您的產品量身訂制,免費取樣,為您做到低成本,高效率.

康比電子聯系方式:
Q Q: 577541227
電 話:0755-27876201
手 機: 13728742863
Email: kangbidz@163.com
網 址: http://m.nhthj.cn/
地 址: 廣東省深圳市寶安區41區33棟6層






